关于选择

选择示例:K020-A2 表示K020-A系列,序列号2,NPN输出,通常打开状态。
K020-A2C表示K020-A系列,序列号2,NPN输出通常闭合状态。
注意:K020-A6,PNP输出,没有通常关闭的状态。
规格
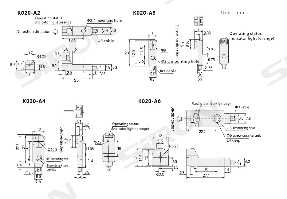
姓名 | 接近开关(小方形类型) | ||||
模型 | NPN N.O | K020-A2 | K020-A3 | K020-A4 | K020-A6 |
| NPN N.C | K020-A2C | K020-A3C | K020-A4C | K020-A6C | |
| pnpn.o | K020-A2-P | K020-A3-P | K020-A4-P | K020-A6-P | |
| PNPN.C | K020-A2-PC | K020-A3-PC | K020-A4-PC | / | |
外貌 | ![]()
|
![]() | ![]()
|
![]() | |
尺寸 | 8.2×8×25mm | 7.4×8×23mm | 7.1×12×27.8mm | 12×12×27.4mm | |
检测方向 | 顶表面 | 正面 | 正面 | 正面 | |
检测距离 | 2.5mm | 2.5mm | 4mm | 4mm | |
连接方法 | 3核电缆,直径3mm | 3核电缆,直径3mm | |||
工作沃尔特 | 12〜24V DC | ||||
最大输出位置 | 200mA | ||||
当前的消费 | <8mA | ||||
泄漏电流 | <0.1mA | ||||
剩余电压 | <1.5VDC | ||||
响应频率 | 500Hz | ||||
protecion cicuit | 反向杆保护 | ||||
滞后 | 10% | ||||
环境温度 | -25+55℃ | ||||
环境湿度 | 相对湿度:3 5%〜8 5% | ||||
protecion等级 | IP67 | ||||
| 外壳材料 | 腹肌 | ||||
| 电缆长度 | 2m | ||||
注意:可提供5V电源电压的产品。
例子

检测凸轮 检测馈线 - 金属组件
方面

接线图
