| 状态: | |
|---|---|
T072/T072-10/T072-20/T072-20
SiRON
8504401400
| 可用的各种型号 电源端子带过滤器 |
产品细节 保险丝双电路有助于短路保护(10A) 终端防尘绝缘 保险丝守卫 电源显示LED和保险丝断开连接 警告领导 适用于压接头叉裸露/圆形裸露终端 |
|
| 安装方法 DIN导轨安装:标准35mm DIN导轨 导轨安装脚 面板安装孔 注意:T072/T072-10可以安装面板,也可以使用导轨安装 |
规格
模型 | T072 | T072-10 | T072-20/T072-20 | |
| 输入 | 名义操作电流 | 6a | 10a | 20a |
标称线圈电压 | AC 220V | |||
| 相应的输入设备 | 进入行侧交流电源 | |||
| 相应的输出设备 | 负载侧AC电源 | |||
| 用于电线 | 2.5mm²分享ing/awg13 | 4mm²分享ing/awg13 | ||
适用于压力末端
姓名 | 物理图 | 尺寸图 |
| 分叉裸露的终端 | ![]() | ![]() |
| 针头裸露终端 | ![]() | ![]() |
适用于压力末端

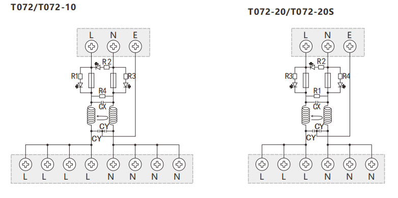
接线图
