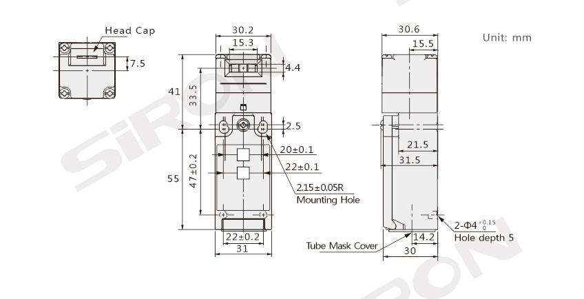
关于选择

选型示例:K090-9-L11-K1表示K090-9-L系列,导管尺寸为M20,内置开关 1NC/1NO,平键。
注:单独订购操作钥匙型号:K090-9-L-K1、K090-9-L-K2、K090-9-L-K3。
规格
运行速度 | 0.1m~0.5m/s | |
工作频率 | 30次/分钟 | |
接触电阻 | 25m以下 | |
绝缘抗性 | 100mΩ以下(500VDC以下) | |
绝缘电压(UI) | 400V | |
保护类 | IP67 | |
寿命 | 机器 | 超过一百万次 |
电气 | 超过15,000次 | |
介电强度 | 相同端子之间:AC 1000V、50/60Hz、1s 不同端子之间:AC 1500V、50/60Hz、1s 各端子与地之间:AC 1500V、50/60Hz、1s | |
罢工 | 耐用性 | 1000m/s⊃2; |
误操作 | 300m/s⊃2; | |
振动 | 1 0 ~ 5 5 Hz , 1.5 mm 双振幅振动 | |
环境温度/环境湿度 | - 1 0 ~ + 7 0 ℃ , 未冻冰; 8 5 % RH | |
| 动作特点 | 操作键插入力 | 最大15N |
操作键拔出电源 | 最大50N | |
PT预行程 | 6±3毫米 | |
TT 预旅行 | 28毫米 | |
操作键插入力 | 四种安装方向可选(默认正面);塑料 | |
注意:1、不要给2个以上的电路通电250V、3A;
2、使用寿命测试条件为:环境温度5~35℃,环境湿度40~70%。

方面