M270-39
SiRON
8501109990
关于选择

选择示例:M270-39-0291代表M270系列二相踏板电动机,框架尺寸为39mm,保持扭矩为0.297nm,单轴为0.9°。
规格
| 模型 | M270-39-0291 | ||
| 径向游戏 | 0.02mm@450g | 步长 | 0.9° |
| 轴向播放 | 0.08mm@450g | 阶跃角度的精度 | ±5%(整个步骤均已卸载) |
| 马克斯 | 28N(距法兰20毫米) | 绝缘抗性 | 100MΩ,500VDC |
| 最大力量 | 10n | 环境温度 | -20℃〜+50℃ |
| 介电强度 | 600VAC/1S | 绝缘班 | b |
电气性能
模型 | M270-39-0291 |
适配器驱动器 | M280-430 |
每个阶段的电流 | 0.28 |
保持扭矩 | 0.297 |
定位扭力 | 0.02 |
每个电阻 | 60 |
每个电感 | 145 |
数字导线 | 4 |
惯性的时刻 | 36 |
重量 | 0.29 |
身体长度 | 44.5 |
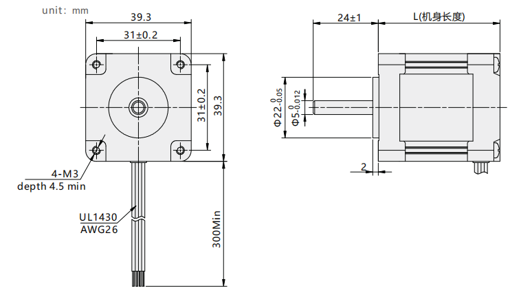
Dimensions

接线图

距离频率曲线
