| 状态: | |
|---|---|
| 数量: | |
M364(C)-60
SiRON
9001909090
关于选择

模型选择示例:M364(C)-60-13P-450-BL-T10-E5是M364(C)系列,身体代码60,铅是13mm同步皮带材料:PORYERETHANE:PORIOKES,PORIOKS 450,左线性模块,Delta,无电源,无效,无端传感器,End End Sensor,End Sensor,End Sensor,End Sensor,End Sensor Sensor,
产品规格
| 项目 | 规格 | ||||||
| 规格 | 可重复性(mm) | ±0.05 | |||||
| 铅(mm) | 13 | 26 | 43 | 65 | 130 | ||
| 最大速度(mm/s) | 650 | 1300 | 2160 | 2000 | 2000 | ||
| 最大有效载荷(kg) | 水平的 | 32 | 14 | 10 | 8 | 5 | |
| 垂直的 | 一 | 一 | 5 | 4 | 2 | ||
| 还原比 | 1/10 | 1/5 | 1/3 | 1/2 | 1/1 | ||
| 额定推力(n) | 600 | 300 | 180 | 120 | 60 | ||
| 中风俯仰(mm) | 450〜3000mm/50mm 间隔 | ||||||
| sarts | 交流伺服电机容量(W) | 400 | |||||
| 线性指南(MM) | W15×H12.5 | ||||||
| 家庭传感器 | 外部 | EE-SX672(NPN)EE-SX672P(PNP) | |||||
安装方法

适用电机品牌
| 品牌 | 电机标记 | 是否有刹车 | 电机容量 | 电压 | 电机模型 | 电压 |
| 三角洲 | T | 无刹车(卧式) | 400 | 220 | ECMA-C20604RS | ASD-B2-0421-B |
| 带刹车(立式) | 400 | 220 | ECMA-C20604SS | ASD-B2-0421-B | ||
松下 | P | 无刹车(卧式) | 400 | 220 | MHMF042L1U2M | MBDLN25SG |
| 带刹车(立式) | 400 | 220 | MHMF042L1V2M | MBDLN25SG | ||
| Yaskawa | Y | 无刹车(卧式) | 400 | 220 | SGM7J04AFC6S | SGD7S2R8A00A002 |
| 带刹车(立式) | 400 | 220 | SGM7J04AFC6E | SGD7S2R8A00A002 |
允许悬伸量

静载荷力矩

| 我的 | 280 | |
| 国会议员 | 280 | |
| 先生 | 60 | |
扭矩表示的数据代表重心。在标准化使用条件下,产品使用寿命可达7000 公里。
使用倒吊葫芦时不能遵循标准规范。如果您有任何需求,请咨询我们的销售人员
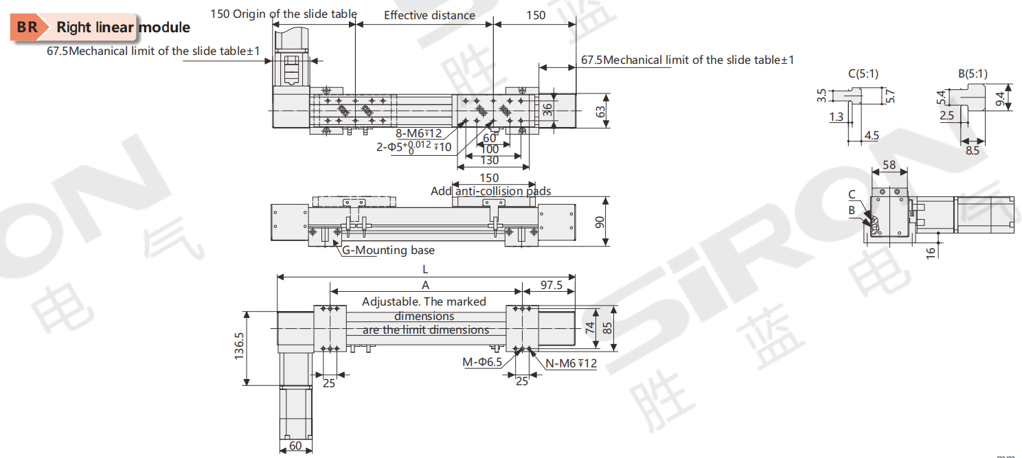
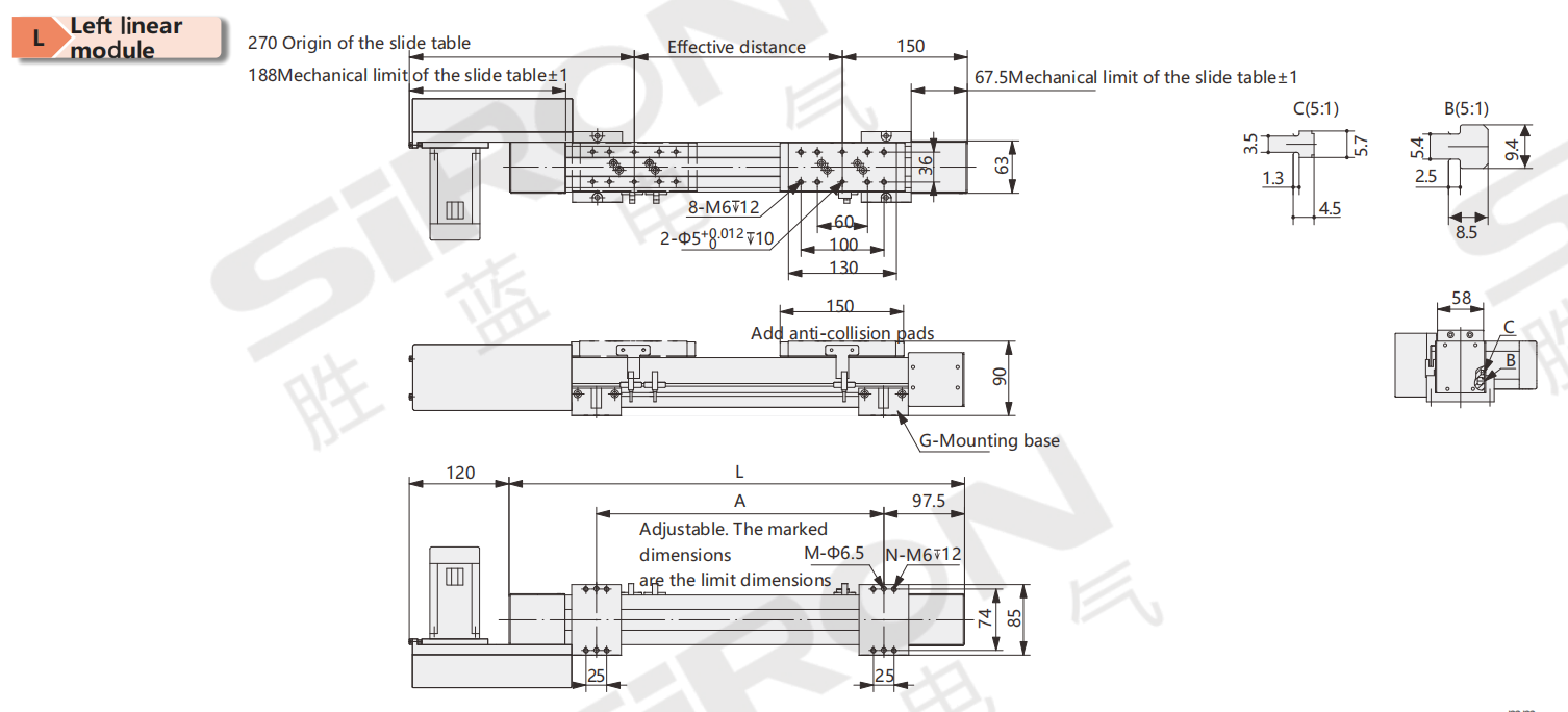
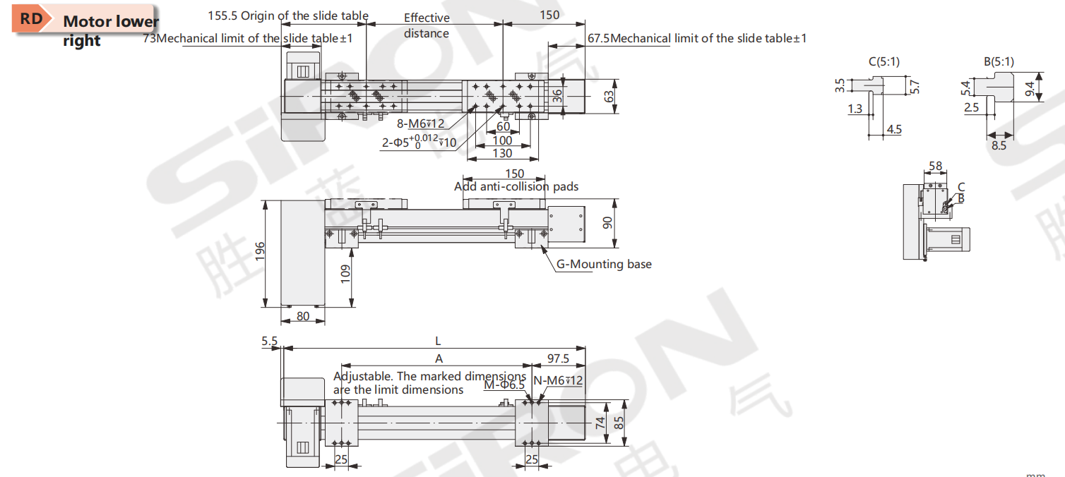
通用尺寸图

| 中风 | 450 | 500 | 550 | 600 | 650 | 700 | 750 | 800 | 850 | 900 | 950 | 1000 | 1050 | 1100 | 1150 | 1200 | 1250 | 1300 | 1350 | 1400 | 1450 | 1500 | 1550 | 1600 | 1650 | 1700 |
| L | 750 | 800 | 850 | 900 | 950 | 1000 | 1050 | 1100 | 1150 | 1200 | 1250 | 1300 | 1350 | 1400 | 1450 | 1500 | 1550 | 1600 | 1650 | 1700 | 1750 | 1800 | 1850 | 1900 | 1950 | 2000 |
| A | 555 | 605 | 655 | 705 | 755 | 805 | 855 | 905 | 955 | 1005 | 1055 | 1105 | 1155 | 1205 | 1255 | 1305 | 1355 | 1405 | 1455 | 1505 | 1555 | 1605 | 1655 | 1705 | 1755 | 1805 |
| M | 4 | 4 | 4 | 4 | 4 | 4 | 4 | 4 | 4 | 4 | 4 | 6 | 6 | 6 | 6 | 6 | 6 | 6 | 6 | 6 | 6 | 8 | 8 | 8 | 8 | 8 |
| N | 8 | 8 | 8 | 8 | 8 | 8 | 8 | 8 | 8 | 8 | 8 | 12 | 12 | 12 | 12 | 12 | 12 | 12 | 12 | 12 | 12 | 16 | 16 | 16 | 16 | 16 |
| P | 2 | 2 | 2 | 2 | 2 | 2 | 2 | 2 | 2 | 2 | 2 | 3 | 3 | 3 | 3 | 3 | 3 | 3 | 3 | 3 | 3 | 4 | 4 | 4 | 4 | 4 |
| 重量(kg) | 6.85 | 7.1 | 7.35 | 7.6 | 7.85 | 8.1 | 8.35 | 8.6 | 8.85 | 9.1 | 9.35 | 9.6 | 9.85 | 10.1 | 10.4 | 10.6 | 10.9 | 11.1 | 11.4 | 11.6 | 11.9 | 12.1 | 12.4 | 12.6 | 12.9 | 13.1 |
| 中风 | 1750 | 1800 | 1850 | 1900 | 1950 | 2000 | 2050 | 2100 | 2150 | 2200 | 2250 | 2300 | 2350 | 2400 | 2450 | 2500 | 2550 | 2600 | 2650 | 2700 | 2750 | 2800 | 2850 | 2900 | 2950 | 3000 |
| L | 2050 | 2100 | 2150 | 2200 | 2250 | 2300 | 2350 | 2400 | 2450 | 2500 | 2550 | 2600 | 2650 | 2700 | 2750 | 2800 | 2850 | 2900 | 2950 | 3000 | 3050 | 3100 | 3150 | 3200 | 3250 | 3300 |
| A | 1855 | 1905 | 1955 | 2005 | 2055 | 2105 | 2155 | 2205 | 2255 | 2305 | 2355 | 2405 | 2455 | 2505 | 2555 | 2605 | 2655 | 2705 | 2755 | 2805 | 2855 | 2905 | 2955 | 3005 | 3055 | 3105 |
| M | 8 | 8 | 8 | 8 | 8 | 10 | 10 | 10 | 10 | 10 | 10 | 10 | 10 | 10 | 10 | 12 | 12 | 12 | 12 | 12 | 12 | 12 | 12 | 12 | 12 | 12 |
| N | 16 | 16 | 16 | 16 | 16 | 20 | 20 | 20 | 20 | 20 | 20 | 20 | 20 | 20 | 20 | 24 | 24 | 24 | 24 | 24 | 24 | 24 | 24 | 24 | 24 | 24 |
| P | 4 | 4 | 4 | 4 | 4 | 5 | 5 | 5 | 5 | 5 | 5 | 5 | 5 | 5 | 5 | 6 | 6 | 6 | 6 | 6 | 6 | 6 | 6 | 6 | 6 | 6 |
| 重量(kg) | 13.4 | 13.6 | 13.9 | 14.1 | 14.4 | 14.6 | 14.9 | 15.1 | 15.4 | 15.6 | 15.9 | 16.1 | 16.4 | 16.6 | 16.9 | 17.1 | 17.4 | 17.6 | 17.9 | 18.1 | 18.4 | 18.6 | 18.9 | 19.1 | 19.4 | 19.6 |

| 中风 | 450 | 500 | 550 | 600 | 650 | 700 | 750 | 800 | 850 | 900 | 950 | 1000 | 1050 | 1100 | 1150 | 1200 | 1250 | 1300 | 1350 | 1400 | 1450 | 1500 | 1550 | 1600 | 1650 | 1700 |
| L | 750 | 800 | 850 | 900 | 950 | 1000 | 1050 | 1100 | 1150 | 1200 | 1250 | 1300 | 1350 | 1400 | 1450 | 1500 | 1550 | 1600 | 1650 | 1700 | 1750 | 1800 | 1850 | 1900 | 1950 | 2000 |
| A | 555 | 605 | 655 | 705 | 755 | 805 | 855 | 905 | 955 | 1005 | 1055 | 1105 | 1155 | 1205 | 1255 | 1305 | 1355 | 1405 | 1455 | 1505 | 1555 | 1605 | 1655 | 1705 | 1755 | 1805 |
| M | 4 | 4 | 4 | 4 | 4 | 4 | 4 | 4 | 4 | 4 | 4 | 6 | 6 | 6 | 6 | 6 | 6 | 6 | 6 | 6 | 6 | 8 | 8 | 8 | 8 | 8 |
| N | 8 | 8 | 8 | 8 | 8 | 8 | 8 | 8 | 8 | 8 | 8 | 12 | 12 | 12 | 12 | 12 | 12 | 12 | 12 | 12 | 12 | 16 | 16 | 16 | 16 | 16 |
| P | 2 | 2 | 2 | 2 | 2 | 2 | 2 | 2 | 2 | 2 | 2 | 3 | 3 | 3 | 3 | 3 | 3 | 3 | 3 | 3 | 3 | 4 | 4 | 4 | 4 | 4 |
| 重量(kg) | 6.85 | 7.1 | 7.35 | 7.6 | 7.85 | 8.1 | 8.35 | 8.6 | 8.85 | 9.1 | 9.35 | 9.6 | 9.85 | 10.1 | 10.4 | 10.6 | 10.9 | 11.1 | 11.4 | 11.6 | 11.9 | 12.1 | 12.4 | 12.6 | 12.9 | 13.1 |
| 中风 | 1750 | 1800 | 1850 | 1900 | 1950 | 2000 | 2050 | 2100 | 2150 | 2200 | 2250 | 2300 | 2350 | 2400 | 2450 | 2500 | 2550 | 2600 | 2650 | 2700 | 2750 | 2800 | 2850 | 2900 | 2950 | 3000 |
| L | 2050 | 2100 | 2150 | 2200 | 2250 | 2300 | 2350 | 2400 | 2450 | 2500 | 2550 | 2600 | 2650 | 2700 | 2750 | 2800 | 2850 | 2900 | 2950 | 3000 | 3050 | 3100 | 3150 | 3200 | 3250 | 3300 |
| A | 1855 | 1905 | 1955 | 2005 | 2055 | 2105 | 2155 | 2205 | 2255 | 2305 | 2355 | 2405 | 2455 | 2505 | 2555 | 2605 | 2655 | 2705 | 2755 | 2805 | 2855 | 2905 | 2955 | 3005 | 3055 | 3105 |
| M | 8 | 8 | 8 | 8 | 8 | 10 | 10 | 10 | 10 | 10 | 10 | 10 | 10 | 10 | 10 | 12 | 12 | 12 | 12 | 12 | 12 | 12 | 12 | 12 | 12 | 12 |
| N | 16 | 16 | 16 | 16 | 16 | 20 | 20 | 20 | 20 | 20 | 20 | 20 | 20 | 20 | 20 | 24 | 24 | 24 | 24 | 24 | 24 | 24 | 24 | 24 | 24 | 24 |
| P | 4 | 4 | 4 | 4 | 4 | 5 | 5 | 5 | 5 | 5 | 5 | 5 | 5 | 5 | 5 | 6 | 6 | 6 | 6 | 6 | 6 | 6 | 6 | 6 | 6 | 6 |
| 重量(kg) | 13.4 | 13.6 | 13.9 | 14.1 | 14.4 | 14.6 | 14.9 | 15.1 | 15.4 | 15.6 | 15.9 | 16.1 | 16.4 | 16.6 | 16.9 | 17.1 | 17.4 | 17.6 | 17.9 | 18.1 | 18.4 | 18.6 | 18.9 | 19.1 | 19.4 | 19.6 |

| 中风 | 450 | 500 | 550 | 600 | 650 | 700 | 750 | 800 | 850 | 900 | 950 | 1000 | 1050 | 1100 | 1150 | 1200 | 1250 | 1300 | 1350 | 1400 | 1450 | 1500 | 1550 | 1600 | 1650 | 1700 |
| L | 750 | 800 | 850 | 900 | 950 | 1000 | 1050 | 1100 | 1150 | 1200 | 1250 | 1300 | 1350 | 1400 | 1450 | 1500 | 1550 | 1600 | 1650 | 1700 | 1750 | 1800 | 1850 | 1900 | 1950 | 2000 |
| A | 547 | 597 | 647 | 697 | 747 | 797 | 847 | 897 | 947 | 997 | 1047 | 1097 | 1147 | 1197 | 1247 | 1297 | 1347 | 1397 | 1447 | 1497 | 1547 | 1597 | 1647 | 1697 | 1747 | 1797 |
| M | 4 | 4 | 4 | 4 | 4 | 4 | 4 | 4 | 4 | 4 | 4 | 6 | 6 | 6 | 6 | 6 | 6 | 6 | 6 | 6 | 6 | 8 | 8 | 8 | 8 | 8 |
| N | 8 | 8 | 8 | 8 | 8 | 8 | 8 | 8 | 8 | 8 | 8 | 12 | 12 | 12 | 12 | 12 | 12 | 12 | 12 | 12 | 12 | 16 | 16 | 16 | 16 | 16 |
| P | 2 | 2 | 2 | 2 | 2 | 2 | 2 | 2 | 2 | 2 | 2 | 3 | 3 | 3 | 3 | 3 | 3 | 3 | 3 | 3 | 3 | 4 | 4 | 4 | 4 | 4 |
| 重量(kg) | 7.1 | 7.35 | 7.6 | 7.85 | 8.1 | 8.35 | 8.6 | 8.85 | 9.1 | 9.35 | 9.6 | 9.85 | 10.1 | 10.35 | 10.6 | 10.85 | 11.1 | 11.35 | 11.6 | 11.85 | 12.1 | 12.35 | 12.6 | 12.85 | 13.1 | 13.35 |
| 中风 | 1750 | 1800 | 1850 | 1900 | 1950 | 2000 | 2050 | 2100 | 2150 | 2200 | 2250 | 2300 | 2350 | 2400 | 2450 | 2500 | 2550 | 2600 | 2650 | 2700 | 2750 | 2800 | 2850 | 2900 | 2950 | 3000 |
| L | 2050 | 2100 | 2150 | 2200 | 2250 | 2300 | 2350 | 2400 | 2450 | 2500 | 2550 | 2600 | 2650 | 2700 | 2750 | 2800 | 2850 | 2900 | 2950 | 3000 | 3050 | 3100 | 3150 | 3200 | 3250 | 3300 |
| A | 1847 | 1897 | 1947 | 1997 | 2047 | 2097 | 2147 | 2197 | 2247 | 2297 | 2347 | 2397 | 2447 | 2497 | 2547 | 2597 | 2647 | 2697 | 2747 | 2797 | 2847 | 2897 | 2947 | 2997 | 3047 | 3097 |
| M | 8 | 8 | 8 | 8 | 8 | 10 | 10 | 10 | 10 | 10 | 10 | 10 | 10 | 10 | 10 | 12 | 12 | 12 | 12 | 12 | 12 | 12 | 12 | 12 | 12 | 12 |
| N | 16 | 16 | 16 | 16 | 16 | 20 | 20 | 20 | 20 | 20 | 20 | 20 | 20 | 20 | 20 | 24 | 24 | 24 | 24 | 24 | 24 | 24 | 24 | 24 | 24 | 24 |
| P | 4 | 4 | 4 | 4 | 4 | 5 | 5 | 5 | 5 | 5 | 5 | 5 | 5 | 5 | 5 | 6 | 6 | 6 | 6 | 6 | 6 | 6 | 6 | 6 | 6 | 6 |
| 重量(kg) | 13.6 | 13.85 | 14.1 | 14.35 | 14.6 | 14.85 | 15.1 | 15.35 | 15.6 | 15.85 | 16.1 | 16.35 | 16.6 | 16.85 | 17.1 | 17.35 | 17.6 | 17.85 | 18.1 | 18.35 | 18.6 | 18.85 | 19.1 | 19.35 | 19.6 | 19.85 |

| 中风 | 450 | 500 | 550 | 600 | 650 | 700 | 750 | 800 | 850 | 900 | 950 | 1000 | 1050 | 1100 | 1150 | 1200 | 1250 | 1300 | 1350 | 1400 | 1450 | 1500 | 1550 | 1600 | 1650 | 1700 |
| L | 750 | 800 | 850 | 900 | 950 | 1000 | 1050 | 1100 | 1150 | 1200 | 1250 | 1300 | 1350 | 1400 | 1450 | 1500 | 1550 | 1600 | 1650 | 1700 | 1750 | 1800 | 1850 | 1900 | 1950 | 2000 |
| A | 547 | 597 | 647 | 697 | 747 | 797 | 847 | 897 | 947 | 997 | 1047 | 1097 | 1147 | 1197 | 1247 | 1297 | 1347 | 1397 | 1447 | 1497 | 1547 | 1597 | 1647 | 1697 | 1747 | 1797 |
| M | 4 | 4 | 4 | 4 | 4 | 4 | 4 | 4 | 4 | 4 | 4 | 6 | 6 | 6 | 6 | 6 | 6 | 6 | 6 | 6 | 6 | 8 | 8 | 8 | 8 | 8 |
| N | 8 | 8 | 8 | 8 | 8 | 8 | 8 | 8 | 8 | 8 | 8 | 12 | 12 | 12 | 12 | 12 | 12 | 12 | 12 | 12 | 12 | 16 | 16 | 16 | 16 | 16 |
| P | 2 | 2 | 2 | 2 | 2 | 2 | 2 | 2 | 2 | 2 | 2 | 3 | 3 | 3 | 3 | 3 | 3 | 3 | 3 | 3 | 3 | 4 | 4 | 4 | 4 | 4 |
| 重量(kg) | 7.1 | 7.35 | 7.6 | 7.85 | 8.1 | 8.35 | 8.6 | 8.85 | 9.1 | 9.35 | 9.6 | 9.85 | 10.1 | 10.35 | 10.6 | 10.85 | 11.1 | 11.35 | 11.6 | 11.85 | 12.1 | 12.35 | 12.6 | 12.85 | 13.1 | 13.35 |
| 中风 | 1750 | 1800 | 1850 | 1900 | 1950 | 2000 | 2050 | 2100 | 2150 | 2200 | 2250 | 2300 | 2350 | 2400 | 2450 | 2500 | 2550 | 2600 | 2650 | 2700 | 2750 | 2800 | 2850 | 2900 | 2950 | 3000 |
| L | 2050 | 2100 | 2150 | 2200 | 2250 | 2300 | 2350 | 2400 | 2450 | 2500 | 2550 | 2600 | 2650 | 2700 | 2750 | 2800 | 2850 | 2900 | 2950 | 3000 | 3050 | 3100 | 3150 | 3200 | 3250 | 3300 |
| A | 1847 | 1897 | 1947 | 1997 | 2047 | 2097 | 2147 | 2197 | 2247 | 2297 | 2347 | 2397 | 2447 | 2497 | 2547 | 2597 | 2647 | 2697 | 2747 | 2797 | 2847 | 2897 | 2947 | 2997 | 3047 | 3097 |
| M | 8 | 8 | 8 | 8 | 8 | 10 | 10 | 10 | 10 | 10 | 10 | 10 | 10 | 10 | 10 | 12 | 12 | 12 | 12 | 12 | 12 | 12 | 12 | 12 | 12 | 12 |
| N | 16 | 16 | 16 | 16 | 16 | 20 | 20 | 20 | 20 | 20 | 20 | 20 | 20 | 20 | 20 | 24 | 24 | 24 | 24 | 24 | 24 | 24 | 24 | 24 | 24 | 24 |
| P | 4 | 4 | 4 | 4 | 4 | 5 | 5 | 5 | 5 | 5 | 5 | 5 | 5 | 5 | 5 | 6 | 6 | 6 | 6 | 6 | 6 | 6 | 6 | 6 | 6 | 6 |
| 重量(kg) | 13.6 | 13.85 | 14.1 | 14.35 | 14.6 | 14.85 | 15.1 | 15.35 | 15.6 | 15.85 | 16.1 | 16.35 | 16.6 | 16.85 | 17.1 | 17.35 | 17.6 | 17.85 | 18.1 | 18.35 | 18.6 | 18.85 | 19.1 | 19.35 | 19.6 | 19.85 |

| 中风 | 450 | 500 | 550 | 600 | 650 | 700 | 750 | 800 | 850 | 900 | 950 | 1000 | 1050 | 1100 | 1150 | 1200 | 1250 | 1300 | 1350 | 1400 | 1450 | 1500 | 1550 | 1600 | 1650 | 1700 |
| L | 750 | 800 | 850 | 900 | 950 | 1000 | 1050 | 1100 | 1150 | 1200 | 1250 | 1300 | 1350 | 1400 | 1450 | 1500 | 1550 | 1600 | 1650 | 1700 | 1750 | 1800 | 1850 | 1900 | 1950 | 2000 |
| A | 547 | 597 | 647 | 697 | 747 | 797 | 847 | 897 | 947 | 997 | 1047 | 1097 | 1147 | 1197 | 1247 | 1297 | 1347 | 1397 | 1447 | 1497 | 1547 | 1597 | 1647 | 1697 | 1747 | 1797 |
| M | 44 | 4 | 4 | 4 | 4 | 4 | 4 | 4 | 4 | 4 | 4 | 6 | 6 | 6 | 6 | 6 | 6 | 6 | 6 | 6 | 6 | 8 | 8 | 8 | 8 | 8 |
| N | 8 | 8 | 8 | 8 | 8 | 8 | 8 | 8 | 8 | 8 | 8 | 12 | 12 | 12 | 12 | 12 | 12 | 12 | 12 | 12 | 12 | 16 | 16 | 16 | 16 | 16 |
| P | 2 | 2 | 2 | 2 | 2 | 2 | 2 | 2 | 2 | 2 | 2 | 3 | 3 | 3 | 3 | 3 | 3 | 3 | 3 | 3 | 3 | 4 | 4 | 4 | 4 | 4 |
| 重量(kg) | 7.1 | 7.35 | 7.6 | 7.85 | 8.1 | 8.35 | 8.6 | 8.85 | 9.1 | 9.35 | 9.6 | 9.85 | 10.1 | 10.35 | 10.6 | 10.85 | 11.1 | 11.35 | 11.6 | 11.85 | 12.1 | 12.35 | 12.6 | 12.85 | 13.1 | 13.35 |
| 中风 | 1750 | 1800 | 1850 | 1900 | 1950 | 2000 | 2050 | 2100 | 2150 | 2200 | 2250 | 2300 | 2350 | 2400 | 2450 | 2500 | 2550 | 2600 | 2650 | 2700 | 2750 | 2800 | 2850 | 2900 | 2950 | 3000 |
| L | 2050 | 2100 | 2150 | 2200 | 2250 | 2300 | 2350 | 2400 | 2450 | 2500 | 2550 | 2600 | 2650 | 2700 | 2750 | 2800 | 2850 | 2900 | 2950 | 3000 | 3050 | 3100 | 3150 | 3200 | 3250 | 3300 |
| A | 1847 | 1897 | 1947 | 1997 | 2047 | 2097 | 2147 | 2197 | 2247 | 2297 | 2347 | 2397 | 2447 | 2497 | 2547 | 2597 | 2647 | 2697 | 2747 | 2797 | 2847 | 2897 | 2947 | 2997 | 3047 | 3097 |
| M | 8 | 8 | 8 | 8 | 8 | 10 | 10 | 10 | 10 | 10 | 10 | 10 | 10 | 10 | 10 | 12 | 12 | 12 | 12 | 12 | 12 | 12 | 12 | 12 | 12 | 12 |
| N | 16 | 16 | 16 | 16 | 16 | 20 | 20 | 20 | 20 | 20 | 20 | 20 | 20 | 20 | 20 | 24 | 24 | 24 | 24 | 24 | 24 | 24 | 24 | 24 | 24 | 24 |
| P | 4 | 4 | 4 | 4 | 4 | 5 | 5 | 5 | 5 | 5 | 5 | 5 | 5 | 5 | 5 | 6 | 6 | 6 | 6 | 6 | 6 | 6 | 6 | 6 | 6 | 6 |
| 重量(kg) | 13.6 | 13.85 | 14.1 | 14.35 | 14.6 | 14.85 | 15.1 | 15.35 | 15.6 | 15.85 | 16.1 | 16.35 | 16.6 | 16.85 | 17.1 | 17.35 | 17.6 | 17.85 | 18.1 | 18.35 | 18.6 | 18.85 | 19.1 | 19.35 | 19.6 | 19.85 |

| 中风 | 450 | 500 | 550 | 600 | 650 | 700 | 750 | 800 | 850 | 900 | 950 | 1000 | 1050 | 1100 | 1150 | 1200 | 1250 | 1300 | 1350 | 1400 | 1450 | 1500 | 1550 | 1600 | 1650 | 1700 |
| L | 750 | 800 | 850 | 900 | 950 | 1000 | 1050 | 1100 | 1150 | 1200 | 1250 | 1300 | 1350 | 1400 | 1450 | 1500 | 1550 | 1600 | 1650 | 1700 | 1750 | 1800 | 1850 | 1900 | 1950 | 2000 |
| A | 547 | 597 | 647 | 697 | 747 | 797 | 847 | 897 | 947 | 997 | 1047 | 1097 | 1147 | 1197 | 1247 | 1297 | 1347 | 1397 | 1447 | 1497 | 1547 | 1597 | 1647 | 1697 | 1747 | 1797 |
| M | 44 | 4 | 4 | 4 | 4 | 4 | 4 | 4 | 4 | 4 | 4 | 6 | 6 | 6 | 6 | 6 | 6 | 6 | 6 | 6 | 6 | 8 | 8 | 8 | 8 | 8 |
| N | 8 | 8 | 8 | 8 | 8 | 8 | 8 | 8 | 8 | 8 | 8 | 12 | 12 | 12 | 12 | 12 | 12 | 12 | 12 | 12 | 12 | 16 | 16 | 16 | 16 | 16 |
| P | 2 | 2 | 2 | 2 | 2 | 2 | 2 | 2 | 2 | 2 | 2 | 3 | 3 | 3 | 3 | 3 | 3 | 3 | 3 | 3 | 3 | 4 | 4 | 4 | 4 | 4 |
| 重量(kg) | 7.1 | 7.35 | 7.6 | 7.85 | 8.1 | 8.35 | 8.6 | 8.85 | 9.1 | 9.35 | 9.6 | 9.85 | 10.1 | 10.35 | 10.6 | 10.85 | 11.1 | 11.35 | 11.6 | 11.85 | 12.1 | 12.35 | 12.6 | 12.85 | 13.1 | 13.35 |
| 中风 | 1750 | 1800 | 1850 | 1900 | 1950 | 2000 | 2050 | 2100 | 2150 | 2200 | 2250 | 2300 | 2350 | 2400 | 2450 | 2500 | 2550 | 2600 | 2650 | 2700 | 2750 | 2800 | 2850 | 2900 | 2950 | 3000 |
| L | 2050 | 2100 | 2150 | 2200 | 2250 | 2300 | 2350 | 2400 | 2450 | 2500 | 2550 | 2600 | 2650 | 2700 | 2750 | 2800 | 2850 | 2900 | 2950 | 3000 | 3050 | 3100 | 3150 | 3200 | 3250 | 3300 |
| A | 1847 | 1897 | 1947 | 1997 | 2047 | 2097 | 2147 | 2197 | 2247 | 2297 | 2347 | 2397 | 2447 | 2497 | 2547 | 2597 | 2647 | 2697 | 2747 | 2797 | 2847 | 2897 | 2947 | 2997 | 3047 | 3097 |
| M | 8 | 8 | 8 | 8 | 8 | 10 | 10 | 10 | 10 | 10 | 10 | 10 | 10 | 10 | 10 | 12 | 12 | 12 | 12 | 12 | 12 | 12 | 12 | 12 | 12 | 12 |
| N | 16 | 16 | 16 | 16 | 16 | 20 | 20 | 20 | 20 | 20 | 20 | 20 | 20 | 20 | 20 | 24 | 24 | 24 | 24 | 24 | 24 | 24 | 24 | 24 | 24 | 24 |
| P | 4 | 4 | 4 | 4 | 4 | 5 | 5 | 5 | 5 | 5 | 5 | 5 | 5 | 5 | 5 | 6 | 6 | 6 | 6 | 6 | 6 | 6 | 6 | 6 | 6 | 6 |
| 重量(kg) | 13.6 | 13.85 | 14.1 | 14.35 | 14.6 | 14.85 | 15.1 | 15.35 | 15.6 | 15.85 | 16.1 | 16.35 | 16.6 | 16.85 | 17.1 | 17.35 | 17.6 | 17.85 | 18.1 | 18.35 | 18.6 | 18.85 | 19.1 | 19.35 | 19.6 | 19.85 |

| 中风 | 450 | 500 | 550 | 600 | 650 | 700 | 750 | 800 | 850 | 900 | 950 | 1000 | 1050 | 1100 | 1150 | 1200 | 1250 | 1300 | 1350 | 1400 | 1450 | 1500 | 1550 | 1600 | 1650 | 1700 |
| L | 750 | 800 | 850 | 900 | 950 | 1000 | 1050 | 1100 | 1150 | 1200 | 1250 | 1300 | 1350 | 1400 | 1450 | 1500 | 1550 | 1600 | 1650 | 1700 | 1750 | 1800 | 1850 | 1900 | 1950 | 2000 |
| A | 547 | 597 | 647 | 697 | 747 | 797 | 847 | 897 | 947 | 997 | 1047 | 1097 | 1147 | 1197 | 1247 | 1297 | 1347 | 1397 | 1447 | 1497 | 1547 | 1597 | 1647 | 1697 | 1747 | 1797 |
| M | 44 | 4 | 4 | 4 | 4 | 4 | 4 | 4 | 4 | 4 | 4 | 6 | 6 | 6 | 6 | 6 | 6 | 6 | 6 | 6 | 6 | 8 | 8 | 8 | 8 | 8 |
| N | 8 | 8 | 8 | 8 | 8 | 8 | 8 | 8 | 8 | 8 | 8 | 12 | 12 | 12 | 12 | 12 | 12 | 12 | 12 | 12 | 12 | 16 | 16 | 16 | 16 | 16 |
| P | 2 | 2 | 2 | 2 | 2 | 2 | 2 | 2 | 2 | 2 | 2 | 3 | 3 | 3 | 3 | 3 | 3 | 3 | 3 | 3 | 3 | 4 | 4 | 4 | 4 | 4 |
| 重量(kg) | 7.1 | 7.35 | 7.6 | 7.85 | 8.1 | 8.35 | 8.6 | 8.85 | 9.1 | 9.35 | 9.6 | 9.85 | 10.1 | 10.35 | 10.6 | 10.85 | 11.1 | 11.35 | 11.6 | 11.85 | 12.1 | 12.35 | 12.6 | 12.85 | 13.1 | 13.35 |
| 中风 | 1750 | 1800 | 1850 | 1900 | 1950 | 2000 | 2050 | 2100 | 2150 | 2200 | 2250 | 2300 | 2350 | 2400 | 2450 | 2500 | 2550 | 2600 | 2650 | 2700 | 2750 | 2800 | 2850 | 2900 | 2950 | 3000 |
| L | 2050 | 2100 | 2150 | 2200 | 2250 | 2300 | 2350 | 2400 | 2450 | 2500 | 2550 | 2600 | 2650 | 2700 | 2750 | 2800 | 2850 | 2900 | 2950 | 3000 | 3050 | 3100 | 3150 | 3200 | 3250 | 3300 |
| A | 1847 | 1897 | 1947 | 1997 | 2047 | 2097 | 2147 | 2197 | 2247 | 2297 | 2347 | 2397 | 2447 | 2497 | 2547 | 2597 | 2647 | 2697 | 2747 | 2797 | 2847 | 2897 | 2947 | 2997 | 3047 | 3097 |
| M | 8 | 8 | 8 | 8 | 8 | 10 | 10 | 10 | 10 | 10 | 10 | 10 | 10 | 10 | 10 | 12 | 12 | 12 | 12 | 12 | 12 | 12 | 12 | 12 | 12 | 12 |
| N | 16 | 16 | 16 | 16 | 16 | 20 | 20 | 20 | 20 | 20 | 20 | 20 | 20 | 20 | 20 | 24 | 24 | 24 | 24 | 24 | 24 | 24 | 24 | 24 | 24 | 24 |
| P | 4 | 4 | 4 | 4 | 4 | 5 | 5 | 5 | 5 | 5 | 5 | 5 | 5 | 5 | 5 | 6 | 6 | 6 | 6 | 6 | 6 | 6 | 6 | 6 | 6 | 6 |
| 重量(kg) | 13.6 | 13.85 | 14.1 | 14.35 | 14.6 | 14.85 | 15.1 | 15.35 | 15.6 | 15.85 | 16.1 | 16.35 | 16.6 | 16.85 | 17.1 | 17.35 | 17.6 | 17.85 | 18.1 | 18.35 | 18.6 | 18.85 | 19.1 | 19.35 | 19.6 | 19.85 |

| 中风 | 450 | 500 | 550 | 600 | 650 | 700 | 750 | 800 | 850 | 900 | 950 | 1000 | 1050 | 1100 | 1150 | 1200 | 1250 | 1300 | 1350 | 1400 | 1450 | 1500 | 1550 | 1600 | 1650 | 1700 |
| L | 750 | 800 | 850 | 900 | 950 | 1000 | 1050 | 1100 | 1150 | 1200 | 1250 | 1300 | 1350 | 1400 | 1450 | 1500 | 1550 | 1600 | 1650 | 1700 | 1750 | 1800 | 1850 | 1900 | 1950 | 2000 |
| A | 547 | 597 | 647 | 697 | 747 | 797 | 847 | 897 | 947 | 997 | 1047 | 1097 | 1147 | 1197 | 1247 | 1297 | 1347 | 1397 | 1447 | 1497 | 1547 | 1597 | 1647 | 1697 | 1747 | 1797 |
| M | 44 | 4 | 4 | 4 | 4 | 4 | 4 | 4 | 4 | 4 | 4 | 6 | 6 | 6 | 6 | 6 | 6 | 6 | 6 | 6 | 6 | 8 | 8 | 8 | 8 | 8 |
| N | 8 | 8 | 8 | 8 | 8 | 8 | 8 | 8 | 8 | 8 | 8 | 12 | 12 | 12 | 12 | 12 | 12 | 12 | 12 | 12 | 12 | 16 | 16 | 16 | 16 | 16 |
| P | 2 | 2 | 2 | 2 | 2 | 2 | 2 | 2 | 2 | 2 | 2 | 3 | 3 | 3 | 3 | 3 | 3 | 3 | 3 | 3 | 3 | 4 | 4 | 4 | 4 | 4 |
| 重量(kg) | 7.1 | 7.35 | 7.6 | 7.85 | 8.1 | 8.35 | 8.6 | 8.85 | 9.1 | 9.35 | 9.6 | 9.85 | 10.1 | 10.35 | 10.6 | 10.85 | 11.1 | 11.35 | 11.6 | 11.85 | 12.1 | 12.35 | 12.6 | 12.85 | 13.1 | 13.35 |
| 中风 | 1750 | 1800 | 1850 | 1900 | 1950 | 2000 | 2050 | 2100 | 2150 | 2200 | 2250 | 2300 | 2350 | 2400 | 2450 | 2500 | 2550 | 2600 | 2650 | 2700 | 2750 | 2800 | 2850 | 2900 | 2950 | 3000 |
| L | 2050 | 2100 | 2150 | 2200 | 2250 | 2300 | 2350 | 2400 | 2450 | 2500 | 2550 | 2600 | 2650 | 2700 | 2750 | 2800 | 2850 | 2900 | 2950 | 3000 | 3050 | 3100 | 3150 | 3200 | 3250 | 3300 |
| A | 1847 | 1897 | 1947 | 1997 | 2047 | 2097 | 2147 | 2197 | 2247 | 2297 | 2347 | 2397 | 2447 | 2497 | 2547 | 2597 | 2647 | 2697 | 2747 | 2797 | 2847 | 2897 | 2947 | 2997 | 3047 | 3097 |
| M | 8 | 8 | 8 | 8 | 8 | 10 | 10 | 10 | 10 | 10 | 10 | 10 | 10 | 10 | 10 | 12 | 12 | 12 | 12 | 12 | 12 | 12 | 12 | 12 | 12 | 12 |
| N | 16 | 16 | 16 | 16 | 16 | 20 | 20 | 20 | 20 | 20 | 20 | 20 | 20 | 20 | 20 | 24 | 24 | 24 | 24 | 24 | 24 | 24 | 24 | 24 | 24 | 24 |
| P | 4 | 4 | 4 | 4 | 4 | 5 | 5 | 5 | 5 | 5 | 5 | 5 | 5 | 5 | 5 | 6 | 6 | 6 | 6 | 6 | 6 | 6 | 6 | 6 | 6 | 6 |
| 重量(kg) | 13.6 | 13.85 | 14.1 | 14.35 | 14.6 | 14.85 | 15.1 | 15.35 | 15.6 | 15.85 | 16.1 | 16.35 | 16.6 | 16.85 | 17.1 | 17.35 | 17.6 | 17.85 | 18.1 | 18.35 | 18.6 | 18.85 | 19.1 | 19.35 | 19.6 | 19.85 |