T300S-D
SiRON
8517799000
关于选择

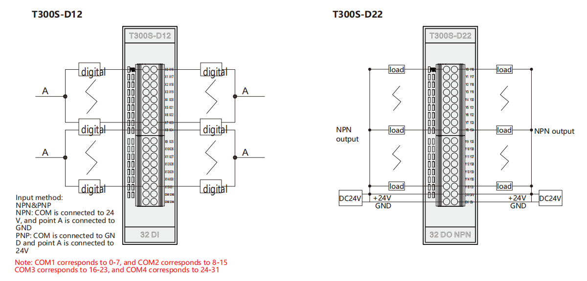
选型举例:T300S-D12代表超薄集成I/O系列, 具有数字量输入输出特性: 32路数字量 输入,0路数字量输出,接口形式:压接端子。
| 代码 | 输入 | 输出 |
| 1 | 32个通道数字输入 | 0频道Digita输出 |
| 2 | 0频道数字输入 | 32路数字(晶体管)输出 (NPN) |
| 3 | 0频道数字输入 | 32路数字(晶体管)输出 (PNP) |
| 4* | 0频道数字输入 | 16路数字(继电器)输出 |
| 5 | 16个通道数字输入 | 16路数字(晶体管)输出(NPN) |
| 6 | 16个通道数字输入 | 16路数字 (晶体管)输出(PNP) |
规格
| 输入 | |
| 额定的沃尔特 | DC 24V |
| 0标记电压(NPN) | OV |
| 1信号电压(NPN) | 24V |
| 0信号电压(PNP) | OV |
| 1信号电压(PNP) | 24V |
| 输入电流 | <50mA |
| 电隔离 | AC 250V |
| 额定电压 | DC 24V |
| 电隔离 | AC 250V |
| MaxCimumload Aument | 2A/端口 |
| 输出 | |
| 额定电压 | DC24V |
| 载荷类型 | 电阻负载 |
| 单通道最大电流 | NPN:500mA; PNP:500mA |
| 最大总输出功率/电流 | 2a |
| 电隔离 | AC 250V |
| 工作温度范围 | 0 ~50℃ |
| 存储温度范围 | -20 ~125℃ |
方面

产品详情

接线图


